1)  微网控制器的硬件在环测试


2)舰船功率管理系统-系统测试和系统仿真





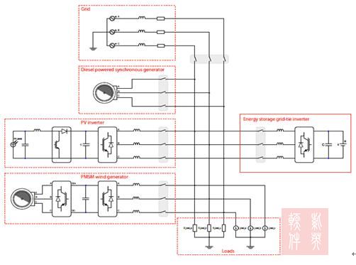
3)开发微电网能量存储变换器控制系统仿真与测试



4)永磁电机驱动器仿真与测试



5)航空电力仿真与测试


产品
ThreadX嵌入式操作系统
Typhoon HIL仿真与测试系统
软件质量保证与测试系统
行业软件开发
实时定位系统产品与解决方案
ThreadX 硬实时嵌入式操作系统
MapuSoft Technologies(MT)
智慧监狱解决方案
资讯
公司新闻
行业动态
技术文章
资料下载
关于我们
关于我们
联系方式
企业文化
企业团队
经营目标
人才招聘
联系我们
电话: +86(02)29875298
邮箱:kefu@ziyingsoftware.com
媒体合作: service@ziyingsoftware.com
渠道合作:sale@ziyingsoftware.com
微信公众号:
加入我们
渠道合作
招贤纳士

微信扫码关注

获取最新资讯